水泥埋刮板輸送機
當前位置: 河南奧創機械設備有限公司 > 新聞中心 > 設備圖紙 > 正文水泥埋刮板輸送機
作者 奧創機械
來源 奧創機械
瀏覽
發布時間 18/05/10
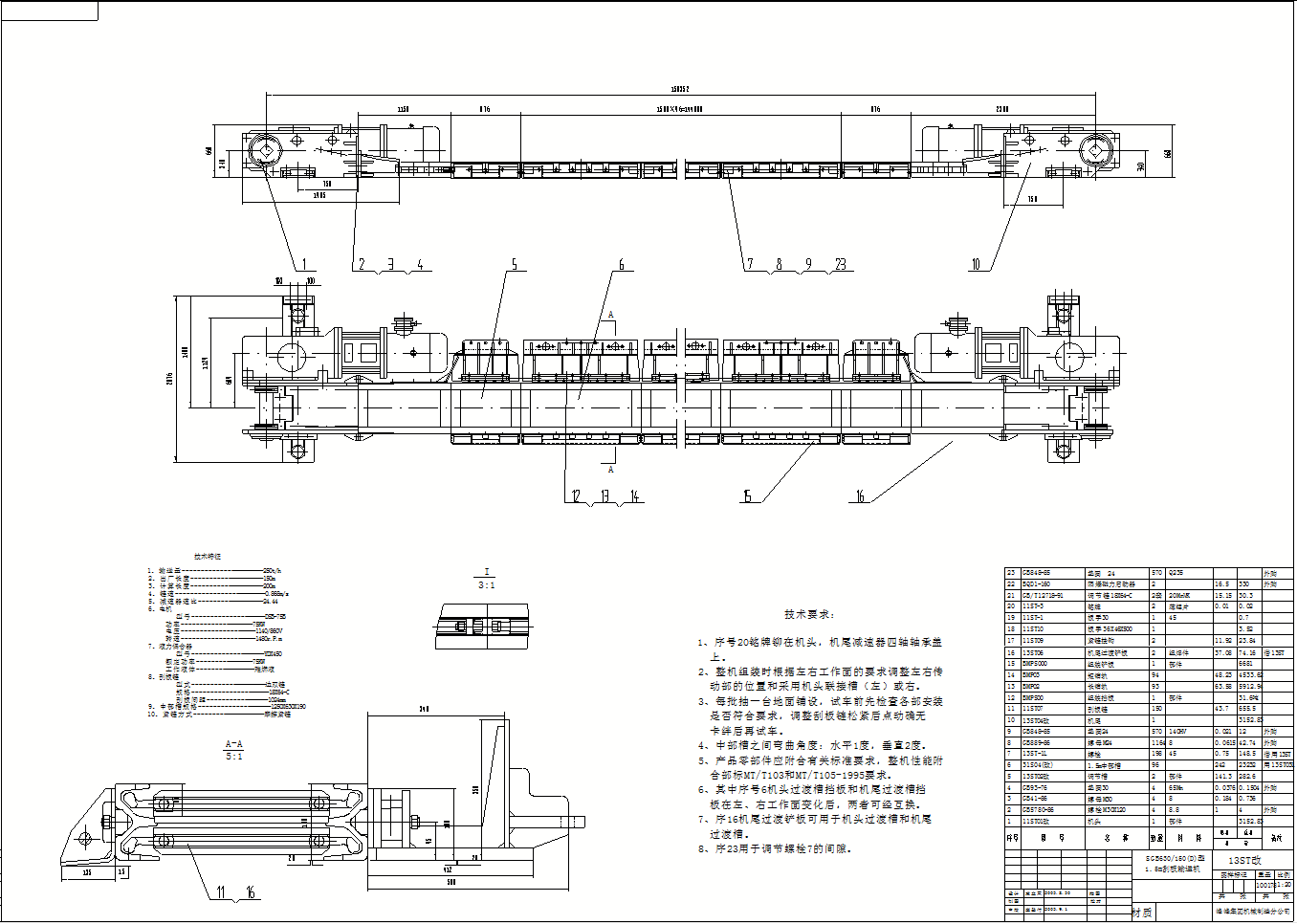
埋刮板輸送機 埋刮板輸送機系列產品廣泛適用于冶金、建材、電力、化工、水泥、港口、碼頭、煤炭、礦山、糧油、食品、飼料、等行業和部門。
埋刮板輸送機參數:
埋刮板輸送機圖紙:
了解更多有關水泥埋刮板輸送機的信息收藏我們的信息:www.pcshares.com.cn 聯系人:杜謙 15537338466 |
- 滾軸篩
- 三次元旋振篩
- 等厚振動篩分機
- DZSF型直線振動篩
- YK型圓振動篩
- YA型圓振動篩
- 滾筒篩分機
- 電磁高頻振動篩
- GPS系列高頻振動篩
- 多層疊式高頻振動篩
- OctagonD200進口實驗篩分機
- EFL 2000系列重型實驗篩分機
- 斗式提升機
- D型斗式提升機
- 高效斗式提升機
- 環鏈斗式提升機
- 板鏈斗式提升機
- 皮帶斗式提升機
- 鋼絲膠帶斗式提升機
- 中央鏈斗式提升機
- GX、LS系列螺旋輸送機
- 移動型斗式提升機
- T系列脫水斗式提升機
- 槽式無軸螺旋輸送機
- NE型斗式提升機鏈條
- U型-T型刮板鏈條
- FU板式輸送機
- DY移動式皮帶輸送機
- 板鏈式喂料機
- MS型埋刮板輸送機
- WB系列板鏈式喂料機
- DJ型大傾角皮帶機
- FU系列鏈板輸送機
- 新型熟料刮板輸送機
- 鏈條生產線輸送機
- 長城網帶輸送機
- 液升降補倉機
- 斗輪取料機-斗輪堆取料機
- 自動計量斗-提升機
- 計量料斗
- 移動式翼輪扒谷機
- 螺旋式除塵裝包機
- 流篩
- 移動式比重風選篩
- 復合型振動清理篩
- 移動式高除雜復合圓筒清糧機
- SCY移動式圓筒清糧機
- SCY2200型圓筒清糧機

斗式提升機-河南豐泉機械有限公司
地 址:新鄉市大塊鎮陳堡工業區
電 話:0373-2678878
傳 真:0373-2678799
聯系人:杜經理
手 機:15537338466
郵 箱:15537338466@163.com
網 址:www.pcshares.com.cn
郵 編:453000








