刮板輸送機
刮板輸送機介紹:
刮板輸送機是輸送粉塵狀、小顆粒及塊狀等散狀物料的連續輸送設備,可以水平、傾斜和垂直輸送。散料具有內摩擦力和側壓力等特性。水平輸送時,物料受到刮板鏈條在運動方向的推力,當料層間的內摩擦力大于物料與槽壁間的外摩擦力時,物料就隨著刮板鏈條向前運動。在料層高度與機槽寬度之比值滿足一定的條件時,料流是穩定的。垂直輸送時,主要依賴物料所具有的起拱特性。封閉機槽內的物料在受到刮板鏈條在運動方向的推力,且受到下部不斷給料而阻止上部物料下滑的阻力時,產生橫向側壓力,從而增加物料的內摩擦力,當物料之間的內摩擦力大于物料和槽壁間的外摩擦力及物料自重時,物料就隨刮板鏈條向上輸送,形成連續料流。由于刮板鏈條在運動中有振動,有些物料的料拱會時于120℃;熱料型輸送物料的溫度為100~450℃,瞬時物料溫度允許達到800℃.
刮板輸送機可輸送物料:碎煤、碎粉、碎爐潭、飛灰、煙灰、炭黑、磷礦粉、碳酸氫銨、尿素、氯化銨、蘇打粉、硫鐵礦潭、塑料單體、活性炭、固體農藥、焦炭粉、石灰石粉、鉻礦粉、白云石粉、銅精礦粉、氧化鋁粉、氧化鐵粉、石英砂,燒結返礦、水泥、粘土粉、陶土、黃砂、鑄造舊砂、小麥、大豆玉米、菜籽、米、糖、淀粉、谷物類、谷物麥、木片、竹片、鋸床等,MZ型埋刮板輸送機推薦用于鍋爐房上煤及輸送谷物類(如小麥、玉米、大豆等)和輕物料類(如木片、鋸床等)。
刮板輸送機不宜輸送的物料:高溫的、有毒的、易爆的磨損性很強的、粘性(附著性)強的,懸浮性很強的,流動性特好的和極脆而又不希望被破碎的物料。
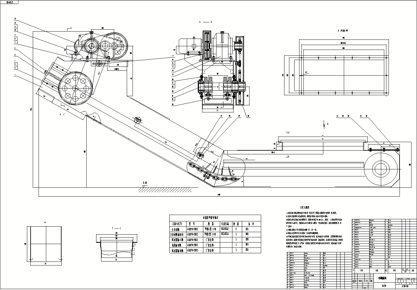
刮板輸送機圖紙:
刮板輸送機類型:
刮板輸送機選型方式:
刮板輸送機參數:
|
項目/型號 |
MS16 |
MS20 |
MS25 |
MS32 |
MS40 |
|
|
槽寬(mm) |
160 |
200 |
250 |
320 |
400 |
|
|
槽高(mm) |
160 |
200 |
250 |
320 |
360 |
|
|
輸送能力(m3/h) |
10-25 |
15-39 |
23-54 |
45-88 |
65-120 |
|
|
鏈條節距(mm) |
100 |
|
|
|
|
|
|
鏈速(m/min) |
0.16-0.32 |
|
|
|
|
|
|
鏈條型式 |
模鍛、滾子 |
模鍛、滾子 |
模鍛、滾子 |
模鍛、滾子 |
模鍛、滾子 |
|
|
刮板型式 |
DT |
DT |
DT |
DT |
DT |
|
|
輸送距離(m) |
5-80 |
5-80 |
5-80 |
5-80 |
5-80 |
|
|
輸送傾角(°) |
≤15 |
|||||
|
電機功率(Kw) |
1.5-7.5 |
1.5-15 |
2.2-18.5 |
4-30 |
5.5-37 |
|
|
驅動裝置安裝型式 |
左右裝,背裝式 |
|||||
|
傳動型式 |
鏈傳動 |
|||||
|
適用粒度(mm) |
<8 |
<10 |
<13 |
<16 |
<20 |
|
|
適用濕度(%) |
≤5 |
|||||
刮板輸送機廠家提示:請通過正規渠道購買奧創輸送機,以保障您的合法權益!
訂購網址請登錄河南奧創機械有限公司官方網站: www.pcshares.com.cn 24小時服務熱線:13353676726


